Характеристики


  • Рубрика
  • Артикул
    SAV10-3-0080-G
  • Количество полюсов3 шт
    Номинальная отключающая способность (Icn)18000 А
    Номинальный ток80 А
    Степень защиты IP20
    Тип монтажаНа DIN рейку
  • Опис товару

    Выключатель автоматический ВА66-31 3Р 80А 18кА GENERICA, SAV10-3-0080-G


    Автоматические выключатели ВА66 GENERICA предназначены для проведения тока в нормальном режиме и отключения тока при коротких замыканиях, перегрузке, а также для оперативных включений и отключений участков электрических цепей.
    Рассчитаны на эксплуатацию в электроустановках с номинальным рабочим напряжением до 400В и на номинальные токи от 16 до 250А.
    Автоматические выключатели ВА66 рекомендуются к применению в ВРУ и НКУ.
    Высокие показатели предельной отключающей способности.
    Экономия пространства в силовом щите.
    Стандартная комплектация каждого автоматического выключателя состоит из межфазных перегородок, комплекта винтов и гаек для присоединения проводников.


    Производитель Generica
    Серия ВА66
    Тип Автоматический выключатель
    Номинальное рабочее напряжение, В 400
    Номинальное напряжение изоляции, В 690
    Номинальная частота, Гц 50
    Номинальный ток, А 80
    Номинальная отключающая способность, кА 18
    Тип расцепителя Тепловой и электромагнитный
    Количество полюсов 3
    Электрическая износостойкость, циклов 1500
    Механическая износостойкость, циклов 7500
    Дополнительные контакты Нет, опционально
    Мотор-привод Нет, опционально
    Исполнение Стационарное исполнение
    Тип электрического подключения главной цепи Переднее подключение
    Рабочая температура, °C -30…+50
    Степень защиты IP30
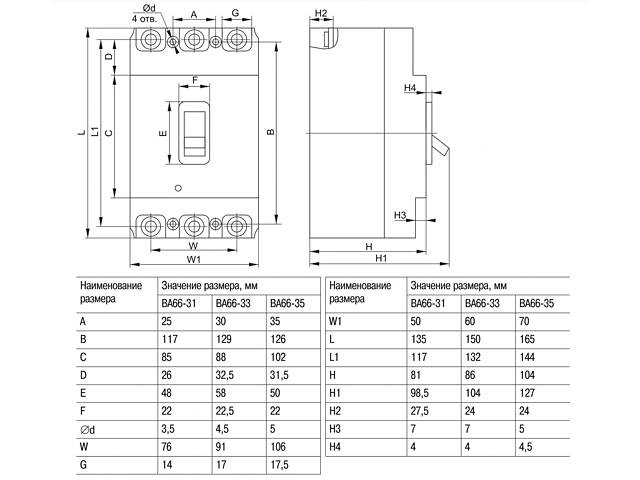
    Ширина, мм 76
    Высота, мм 135
    Глубина, мм 81
    Нормы и сертификаты IEC 60947
Додано: 09.05.2025
ID: 210099857
Оцініть зручність користування RIA.com.Наскільки ця сторінка зручна та корисна для вас?
Дякуємо!

Дякую, що поділилися своїми враженнями. Це допоможе зробити наш маркетплейс ще кращим

вгору
Ми використовуємо cookie-файли. Ознайомитись з Політикою використання.
Налаштування файлів cookies
«Ми (ARS ONLINE OÜ) використовуємо cookie-файли (cookies), обов\'язкові для роботи нашого сайту і сервісів, на підставі легітимного інтересу. Також, ми хотіли б із вашої згоди встановити на вашому пристрої опціональні аналітичні cookies для запам\'ятовування даних про перегляди та користування сервісами, а також маркетингові cookies, які допоможуть нам зрозуміти, які сервіси і продукти цікавлять користувачів найбільше.
Вмикаючи ці cookies, ви сприяєте поліпшенню наших сервісів і продуктів. Детальніше про cookies читайте в нашій «Політиці використання файлів cookies». Обов\'язкові cookies ми встановлюємо в будь-якому випадку. Нижче ви можете дозволити чи не дозволити нам установку опціональних cookies».